Product Features
Show Control Features
RidePlayer is fully-equipped with the powerful and flexible Alcorn McBride ControlCore. This technology provides the ability to control and monitor other components commonly deployed on vehicle systems such as PLCs, RFID scanners, GPS antennas, animation controllers, and DSP systems; all without requiring additional components to be added to the vehicle.
The show control feature set includes:
- Alcorn McBride ControlCore
- Control of 3rd Party Devices (PLC, DSP, Animation, AV, etc.)
- Timeline Programming
- ShowTouch Integration
- PLC Integration – ride control monitoring/triggering
- Advanced Scripted Control
- Media File Management
- 2 x 1Gbps Network Control Port
- 8 x CC/Voltage inputs
- 4 x Relay Outputs /w Self-Healing Polymer Fuse
- 1 x RS-232/RS-422/DMX Serial Port
- 1 x SMPTE LTC In/Out Interface
- Integrated OLED Display
- Power Supply Monitoring
- Analog Voltage Sense Input

Audio Features
This product is equipped with an incredibly powerful audio playback system that includes many advanced features designed to eliminate the need for external components like DSPs, amplifiers, multiple audio players, etc. These features enable high-quality surround sound effects to enhance the guest experience and make integration and content production a breeze.
The audio features are:
- Uncompressed WAV Audio Playback
- Sample-Accurate Synchronization
- 16 Channels of 24-bit 48kHz Audio Output
- 16 x 25W Amplified Outputs (Bridge to 50W)
- 16 x Line Outputs
- DSP with 9-band parametric EQ, high and low pass filters; time delay.
- 64 Tracks of Polyphonic Playback with Dynamic Mixing, and Crossfade
- DSP with 9-band parametric EQ, high and low pass filters, and more
- 16x16 AES67/Dante Network Audio interface /w Redundant Ports
- Input audio from a production workstation
- Output audio to provide clean digital audio to external amplifiers such as RideAmp
- Internal 128GB M.2 SSD
- Remote Content Update via Ethernet
Synchronization Features
RidePlayer is equipped with the Alcorn McBride SyncCore system to provide for extremely precise synchronization between the on-board and off-board systems. This technology uses several industry-standard methods to maintain a very precise clock between RidePlayer and other SyncCore enabled products like the V16X and BinloopX.
The supported synchronization methods include:
- PTP (IEEE-1588)
- NTP
- GPS /w PPS Clock Input
- SMPTE LTC
- Genlock
Physical Features
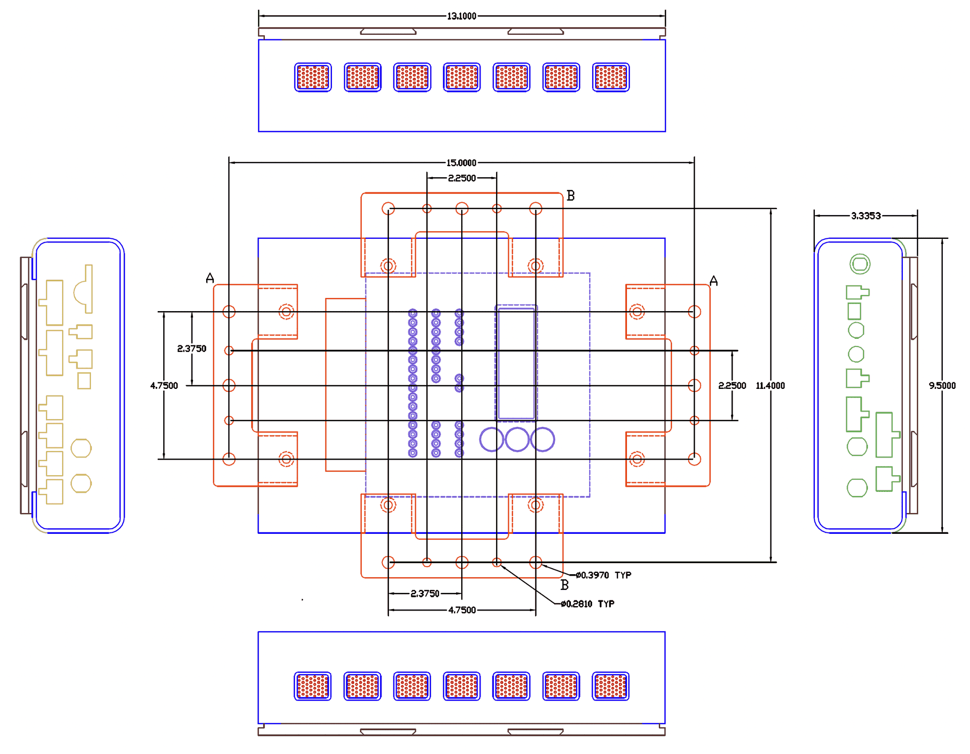
This product’s rugged solid-state design enables it to endure the harsh environments of coaster and dark ride applications. It offers flexible mounting options, industrial-grade connectors, DC power input, and a rock-solid chassis design.
Physical features include:
- Rugged Vibration-Resistant Design
- Coasters, Dark Rides, Parade Floats, Parking Trams, etc.
- Molex Connectors for solder-free installation in vehicle environments
- M12 X-Coded Ethernet Connectors
- Flexible Panel Mounting Options
- DC Power Input with Voltage Monitoring
- Monitored Cooling System
- Removable SD Media Card for Show Control files
- Dimensions - 9.5”W x 13.1”L x 3.3”H - Surface Mount
- Weight - 12lbs (5.5kg)
